-
在线铜板外观检测 -
在线极片熔珠检测 -
动力电池卷绕一体机双线扫CCD检测系统 -
在线动力电池盖板检测机 -
涂布CCD检测系统 -
辊压机CCD检测系统 -
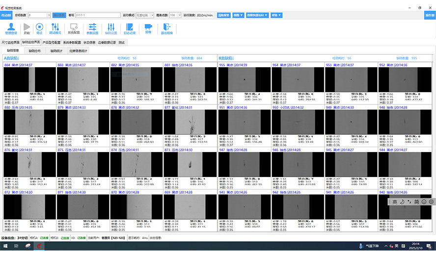
辊压分条一体机CCD检测系统/贴标机 -
消费电池分条机CCD检测系统 -
独立宽幅CCD复检机 -
模切分切一体机检测系统 -
在线极片毛刺检测 -
在线动力电池卷绕一体机CCD检测系统 -
切叠一体机CCD检测系统 -
在线电池裸电芯外观检测 -
动力电池入壳设备/预点焊 -
在线动力电池顶盖焊接独立检测机 -
在线动力电池密封钉独立检测机 -
在线动力电池铝壳外观检测机/包蓝膜后外观检测机 -
在线3C电池成品外观检测机 -
动力电芯连接器焊接检测系统 -
在线刀片电池尺寸测量机 -
在线电池模组Busbar检测 -
在线电池模组尺寸检测机 -
电池全自动测试及气密性检测机 -
在线铜箔外观检测 -
在线铝箔外观检测 -
在线隔膜外观检测 -
在线铝塑膜外观检测 -
在线圆柱铝壳外观检测机